物业管理日常巡查表格终极指南:从“新手”到“专家”,一键提升服务品质与效率(附免费模板)
** 您是否还在为巡查工作不到位、问题遗漏多、责任难追溯而烦恼?本文作为资深物业管理专家,将为您彻底揭秘物业管理日常巡查表格的“前世今生”与“核心玩法”,从设计理念、关键要素,到实战技巧和免费模板,手把手教您打造一套科学、高效、智能化的巡查体系,让您的物业服务水平实现质的飞跃,轻松在百度搜索中脱颖而出!

引言:为什么您的巡查表,可能只是一张“废纸”?
想象一下,一位健身教练只给会员一张纸,写着“每天做100个俯卧撑”,却不教标准动作、不记录完成情况、不分析进步空间,效果会好吗?答案显然是否定的。
很多物业的日常巡查表格,就陷入了这样的困境,它可能只是一个勾选项的清单,流于形式,无法真正驱动管理提升,它记录了“查了”,但没有记录“怎么查的”、“查出了什么”、“解决了多少”、“还剩什么”。
我们就来“重塑”这张纸,让它从一张简单的“任务清单”,升级为驱动物业价值提升的“管理引擎”和“服务导航图”。
第一部分:深度解析——一张优秀的巡查表格,应该具备哪些“灵魂”?
一张顶级的巡查表格,绝非简单的罗列,它必须具备以下四大核心“灵魂”,就像一套完美的健身计划,必须有目标、有方法、有记录、有反馈。

清晰的目标导向:查什么?—— “健身”前的目标设定
巡查不是漫无目的的“闲逛”,而是有明确目标的“定向探索”,表格必须清晰地划分巡查模块,就像健身要分胸、背、腿一样。
- 公共秩序维护类: 车辆是否乱停、消防通道是否畅通、有无违规装修、高空抛物隐患等。
- 环境卫生保洁类: 楼道、电梯、大堂、垃圾房、绿化带的清洁状况,有无卫生死角。
- 设施设备运行类: 电梯、供水供电、监控、门禁、照明、消防设施等是否正常。
- 绿化养护类: 植物是否枯萎、有无病虫害、修剪是否整齐。
- 客户服务类: 公告栏信息是否更新、有无新的报修需求、业主投诉处理情况等。
专家建议: 在表格中为每个大类设置权重,体现巡查的侧重点,例如消防安全的权重应远高于一般卫生。
标准化的执行流程:怎么查?—— “健身”时的动作标准
光有目标不行,方法决定一切,表格必须引导巡查人员用“标准动作”去工作,避免“凭感觉”。
- 巡查路线图: 可附上标准化的巡查路线图,确保无死角、无遗漏,提高效率。
- 量化与质化结合:
- 量化: “垃圾房清运及时率”、“楼道灯完好率”等,用数字说话。
- 质化: “地面无明显污渍”、“电梯轿厢无异味”,用清晰、可判断的描述性语言。
- 问题等级划分: 将发现的问题划分为“紧急”、“重要”、“一般”、“建议”等等级,这就像健身中的“高危动作”,必须立即处理。
高效的记录与反馈:记录什么?—— “健身”后的数据复盘
巡查的核心价值在于“发现问题”和“解决问题”,表格必须成为高效的“信息中枢”。

- 问题描述精准化: 不仅要写“3号楼电梯坏了”,更要写“3号楼1号电梯,显示面板无反应,按键失灵,已困人(如适用)”。
- 图文并茂的证据链: 在纸质表格时代,拍照是标配,在数字化时代,表格应直接内嵌拍照功能,实现“问题描述+现场照片”的证据闭环。
- 闭环处理流程: 表格中必须有明确的“发现人”、“发现时间”、“处理人”、“处理时限”、“处理结果”、“复查人”等字段,形成完整的PDCA(计划-执行-检查-处理)循环。
智能的数据分析能力:如何提升?—— “健身”后的进步分析
这是巡查表格从“工具”升华为“武器”的关键,原始数据本身没有意义,经过分析的数据才能产生价值。
- 高频问题分析: 每周/每月统计,哪个区域、哪类问题发生频率最高?是电梯故障,还是楼道卫生?
- 责任追溯分析: 某个区域的问题反复出现,是巡查人员疏忽,还是保洁/维修人员执行不力?
- 趋势预测分析: 通过数据,预测未来可能出现的集中性问题(如雨季来临前,集中检查排水系统)。
第二部分:实战演练——手把手打造您的专属巡查表格(附免费模板)
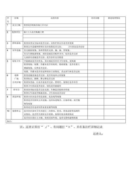
理论讲完了,我们来看点“干货”,这里提供一套通用版物业管理日常巡查表格模板,您可以根据自己项目的特点进行修改和调整。
【模板】XX物业项目日常巡查记录表
| 巡查区域 | 巡查日期 | 年 月 日 | 天气 | ||
|---|---|---|---|---|---|
| 巡查人员 | 巡查时段 | 上/下午 | 值班主管 | ||
| 巡查大类 | 巡查项目 | 标准/要求 | 巡查结果 (正常√/异常×) | 问题描述及照片/编号 | 问题等级 (紧急/重要/一般/建议) |
| 公共秩序 | 车辆停放 | 有序停放,不占用消防通道 | |||
| 消防通道 | 畅通无阻,无杂物堆放 | ||||
| 高空抛物 | 无悬挂物,无警示标语 | ||||
| 环境卫生 | 楼道/大堂 | 地面洁净,无垃圾、无积水 | |||
| 电梯轿厢 | 内壁光洁,无广告,按钮正常 | ||||
| 垃圾房/桶 | 周边无散落垃圾,清运及时 | ||||
| 设施设备 | 供水供电 | 无跑冒滴漏,公共照明正常 | |||
| 监控系统 | 画面清晰,录像正常 | ||||
| 门禁系统 | 运行正常,开锁顺畅 | ||||
| 绿化养护 | 绿化带 | 无枯枝败叶,无病虫害 | |||
| 园区小品 | 完好无损,无安全隐患 | ||||
| 客户服务 | 公告栏 | 信息更新及时,版面整洁 | |||
| 业主反馈 | 对近期报修进行回访确认 | ||||
| 巡查总结与建议: | |||||
| 巡查人签字: | 值班主管审核: |
第三部分:从“纸质”到“云端”,让巡查表格“活”起来
在数字化时代,我们不仅要会“设计”,更要会“升级”。
- 告别纸质,拥抱APP: 市面上有许多成熟的物业管理系统,都集成了移动巡查APP,巡查人员可以用手机随时随地进行打卡、拍照、上传问题,系统自动生成工单并派发给相应人员,处理进度一目了然。
- 数据驱动,智能决策: 数字化系统最大的优势在于数据,管理者可以轻松生成各类报表,用数据说话,让管理决策不再“拍脑袋”,系统可以自动预警:“本月3号楼电梯故障率上升30%,建议联系维保单位进行全面检修。”
- 激励与考核,让制度“长牙”: 将巡查数据与员工的绩效考核挂钩,对于发现重大隐患、处理问题及时的员工给予奖励;对于巡查不到位、问题频出的区域进行问责,这样才能真正让巡查制度落地生根。
一张小表格,撬动大服务
各位朋友,各位同仁,物业管理日常巡查表格,绝不仅仅是一张纸或一个APP,它承载的是我们“以人为本、服务至上”的理念,是我们专业精神的体现,更是我们提升业主满意度、打造物业品牌、实现资产保值增值的基石。
从今天起,请重新审视您的巡查表格,用“健身教练”的严谨去设计它,用“导游”的细致去执行它,用“专家”的智慧去分析它,当您的团队每个人都将这张表格视为提升服务品质的“作战地图”时,您的物业服务,必将赢得业主的口碑,在激烈的市场竞争中立于不败之地。
希望今天的分享,能给您带来真正的价值,如果您觉得这篇文章有用,欢迎点赞、收藏、转发,让更多物业同仁看到!也欢迎在评论区留言,分享您的巡查妙招,我们一起交流,共同进步!